Was machen wir eigentlich mit der Luft in unseren Modellen?
Die Verwendung von „gepresster Luft“ fängt beim Haupttauchtank an. Der nach unten offene Tank wird von drei Zwei-Wege Ventilen, die elektrisch betrieben werden, verschlossen. Diese Ventile sollen einen möglichst großen Querschnitt haben und müssen auch bei geringem Druck schon öffnen. Der Druck wird von dem Wasserstand im Tank zur Wasseroberfläche bestimmt. Bei aufgetauchtem Boot etwa 170 mm also ca. 0,017 bar. Es dauert mehr als 30 Sek. bis bei diesem geringen Druck die ca. 5 ½ Liter Luft vollständig entwichen sind.
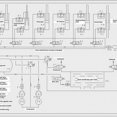
Das nächste Zwei-Wege Ventil wird zum Ausblasen des Haupttauchtanks verwendet. Der Eingang ist über ein einstellbares Drosselventil mit dem unteren Ausgang des Druckluft-Tanks verbunden. Entstandenes Kondenswasser aus dem Drucktank wird mit gerissen. Der Auftauch Vorgang kann fein ein geregelt werden. Die Luft für die Kompressoren gelangt über das offene Schnorchel-Kopfventil durch das Rohr in den Wasserkasten. Eventuell mit gerissene Wassertropfen können sich dort am Boden sammeln. Über Löcher in den Spanten gelangt die Luft zu den beiden Kompressoren. Über je ein Rückschlagventil wird sie in den 1,5 Liter fassenden Tank gedrückt. Am Tank sind für den Eingang und die AfGs zwei seitliche Anschlüsse vorhanden. Am Tankboden befindet sich ein Anschluss für das Ausblase-Ventil. Der Betriebsdruck ist ca. 6,5 bar.
Um das Schnorchel-Kopfventil zu steuern ist bereits ein Drei-Wege Ventil nötig. Der zugehörige Luftzylinder ist einfach wirkend. Das heißt die Druckluft bewegt den Kolben nur in eine Richtung. Zurück wird der Kolben von einer Feder gedrückt. Wenn das Ventil den Weg für die Abluft aus dem Zylinder frei macht. Die Bewegungsgeschwindigkeit kann hierbei nicht geregelt werden. Ist auch nicht nötig. Der Hub ist kurz und das Schließen soll schnell gehen. Für das Kopfventil gibt es einen kleinen Zwischenspeicher mit Rückschlagventil. Einerseits soll der volle Druck zur Verfügung stehen. Andererseits muss sich der Schnorchel-Kopf auch noch öffnen lassen wenn die übrige Druckluft verbraucht ist. Die Zylinder der AfGs sind alle zweifach wirkend. Die Auf- und die Ab-Bewegung werden jeweils von Druckluft gesteuert. Dazu werden Fünf-Wege benötigt (einmal Eingang, zweimal Ausgang, zweimal Abluft). Diese sind alle auf einem Alu-Block montiert. Das erleichtert die Montage. Die Abluft kann einen Schalldämpfer bekommen. Sie wird in das Boot geleitet und erhöht den Innendruck bis zum nächsten Kompressorlauf. Die Anschüsse zu den Druckluftzylindern sind mit Abluft-Drosselventilen ausgestattet. Das Drosseln der Abluft ermöglicht auch bei schwankendem Druck eine gleichmäßige Bewegung der Kolbenstange.
What do we actually do with the air in our models?
The use of „compressed air“ starts with the main diving tank. The downward open tank is closed by three two-way valves, which are electrically operated. These valves are supposed to have the largest possible cross-section and must open even at low pressure. The pressure is determined by the water level in the tank to the water surface. With the boat surfaced, it’s about 170 mm, approximately 0.017 bar. It takes more than 30 seconds until the approximately 5 ½ liters of air have completely escaped at this low pressure.
The next two-way valve is used to blow out the main diving tank. The input is connected to the lower outlet of the compressed air tank via an adjustable throttle valve. Condensation water from the pressure tank is carried along. The surfacing process can be finely controlled. The air for the compressors enters the water box through the open snorkel head valve via the pipe. Any water droplets carried along can collect there at the bottom. The air reaches the two compressors via holes in the frames. It is pressed into the 1.5-liter tank via a check valve each. There are two lateral connections on the tank for the inlet and the AfGs. There is a connection for the blow-out valve on the tank bottom. The operating pressure is approximately 6.5 bar.
To control the snorkel head valve, a three-way valve is already necessary. The associated air cylinder is single-acting. This means that the compressed air moves the piston only in one direction. The piston is pushed back by a spring. When the valve clears the path for the exhaust air from the cylinder. The speed of movement cannot be controlled here. It is also not necessary. The stroke is short and the closing should be quick. For the head valve, there is a small intermediate storage with a check valve. On the one hand, the full pressure should be available. On the other hand, the snorkel head must still be able to open when the remaining compressed air is used up. The cylinders of the AfGs are all double-acting. The upward and downward movements are controlled by compressed air. For this, Five-ways are needed (once input, twice output, twice exhaust). These are all mounted on an aluminum block. This makes assembly easier. The exhaust air can receive a silencer. It is directed into the boat and increases the internal pressure until the next compressor run. The connections to the compressed air cylinders are equipped with exhaust throttle valves. Throttling the exhaust air also enables a smooth movement of the piston rod even with fluctuating pressure.














